Cobra distanční křížek pro terasová prkna
Rychlá a odolná pomůcka pro montáž teras. Čtyři šířky (3/4/5/6 mm) pro správné mezery mezi prkny a doraz pro šrouby 15 mm od okraje. Vhodná pro dřevo i kompozit.

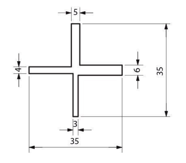
Cobra® DECKSPACER – distanční křížek pro terasová prkna
Rychlá na použití a mimořádně odolná distanční podložka Cobra® DECKSPACER vám usnadní montáž dřevěných i kompozitních teras. Každý kus má čtyři křídla o různých tloušťkách 3, 4, 5 a 6 mm, takže snadno zvolíte správnou mezeru podle typu materiálu a doporučení výrobce.
Každý distanční díl je široký 15 mm, což vám zároveň pomůže dodržet správnou vzdálenost pro šroubování – minimálně 15 mm od okraje prkna, jak doporučují montážní postupy. Použitím mezi dvěma prkny tak nejen přesně nastavíte požadovanou mezeru, ale zároveň můžete DECKSPACER využít jako doraz pro správné umístění šroubů.
✅ 4 rozestupy v jednom nástroji (3 / 4 / 5 / 6 mm)
✅ Pomáhá dodržet správnou vzdálenost pro šrouby (15 mm od okraje)
✅ Odolný, modulární a snadno použitelný
✅ Vhodný pro dřevěné i kompozitní terasy
Cobra® DECKSPACER je univerzální a praktická pomůcka, která vám ušetří čas, zjednoduší montáž a zajistí profesionální výsledek vaší terasy.
Diskuze
Buďte první, kdo napíše příspěvek k této položce.
